This review page is supported in part by the sponsors whose ad banners are displayed below |
 |
 |
|
 |
|
Reviewer: Srajan Ebaen
Financial Interests: click here
Source: Esoteric UX-1, Yamamoto YDA-01, Raysonic Audio CD228 [on review]
Preamp/Integrated: Esoteric C-03 (transistor), ModWright DM 36.5 (valves)
Amplifier: FirstWatt F5, FirstWatt F4
Speakers: ASI Tango R, Yamamoto YS-500 [on review], Rethm Saadhana, Zu Essence
Cables: Complete loom of ASI Liveline
Stands: 2 x ASI HeartSong 3-tier stands, 2 x amp stands
Powerline conditioning: 2 x Walker Audio Velocitor S
Sundry accessories: Furutech RD-2 CD demagnetizer; Nanotech Nespa Pro; extensive use of Acoustic System Resonators, noise filters and phase inverters, Advanced Acoustics Orbis Wall & Corner units
Room size: The sound platform is 3 x 4.5m with a 2-story slanted ceiling above; four steps below continue into an 8m long combined open kitchen, dining room and office, an area which widens to 5.2m with a 2.8m ceiling; the sound platform space is open to a 2nd story landing and, via spiral stair case, to a 3rd-floor studio; concrete floor, concrete and brick walls from a converted barn with no parallel walls nor perfect right angles; short-wall setup with speaker backs facing the 8-meter expanse and 2nd-story landing.
Review Component Retail: $4,000
|
Numbers, letters and moon landings. Six moons, six frogging fabulous amplifiers. But the show must go on:
|
 |
At the going rate, Nelson Pass would soon eclipse our arsenal to demand a 7th moon. For now we could still play ball. Having accompanied his kitchen-table exploits from the 1st through the 5th F amplifiers—reference our archives for the knit and grit—we had just one moon left to inspect his latest*. Once again it would have to differ from its elders.
Different in fact has been the leit motif of FirstWatt thus far. The circuits offered to the public in identical enclosures and stuffed personally by one of America's most famous transistor amplifier designers were special application jobs. They wouldn't have supported standard high-volume output. And that's been their very appeal - for the been-there done-that reviewer; for the customer not served otherwise; and for the designer who got to pursue creativity at the edge of the field.
Before boredom set in or a new stroke of genius flared, shazaam!, Mr. Pass could be off to a new adventure rather than feel chained to an assembly line that had to crank out more of the same. Scaling up output power of an existing circuit hadn't occurred yet though fence sitters eyeing these low-power transistor amps clearly lusted after an eventual 100wpc F3 or F5.
|
|
There most certainly was a market for more powerful F amps. Until now though, Nelson had resisted the lure of minted green. Perhaps it wasn't exciting enough. Also, "the magic goes away if I scale up power output" had been overheard together with indications that a future F6 would become a more powerful F3. Would higher F numbers stand for higher power after all?
___________________
* There actually already were/are six models parked in this amplifier garage but the Aleph J was a revisit by popular demand, of a Pass Labs circuit to not make the F branding. For linear counters, today's thus is the 7th. But what interesting people ever did count in linear fashion in the first place? As we'll see, it applies not only to numbers but letters too...

When whispers of the next FirstWatt amp began circulating, nobody knew for certain whether it would transcend FirstWatt's original small stands tall mantra—it had sent those in need of more turn-key power to Pass Labs instead—to instead become the more mainstream proposition pent-up demand suggested could be next. A special invite to Passville, of DIYAudio members on August 8th, began to shed more light on 2009 developments at the FW skunk works:
|
|
"Cviller, N-Brock, AR2 and Variac (that would be me) were honored to be invited to the Pass hideout up in the mountains of the California gold country...
We arrived about 11:00 and spent the day listening to about five different FirstWatt amps. Two were new and unreleased but they were very very good and involved stuff that Nelson has hinted about around here. Then we got a tour of his skunk works where he designs and builds the FirstWatt amps. There we spotted some more crazy stuff which was still in the experimental stages.
Here is a prediction: while FirstWatt has done very well it seems, including some unusual amps for specialized purposes, the new ones are gonna be very popular for a more general audience, with emphasis on popular."
Variac aka The Destroyer aka Mark Cronander is
chief moderator of DIYAudio.com which hosts the Pass Labs forum. AR2 aka Master Burner aka Vladimir Simovich who was present during the same informal unveiling gave kind permission to use his photos taken during this visit. Gracias! [His 'DIY business card' links to the requisite thread on the forum.]
|
|
|

The amplifiers which the merry band of solder slingers below had heard that day included the F2 in a new power JFET iteration, the F3, F5 and the then still mysterious M2 and J2.

Those two were the unannounced 'non-F' surprise hitters. The M2 runs Mosfets, the J2 equivalent JFETS in the output stage and both are "quite different from previous products". For the F2 current-source amp with JFETs, he plans "to release a
run of 10 pieces, offer an update to current F2 owners and publish a
short article on it."
|
 |
The two power JFET sightings in the F3's groundbreaking wake suggested that I had been far from alone thinking their sonics very special when directly leashed up to the loudspeakers. Indirectly of course, JFETs have been wildly popular in upscale preamplifiers for a long time. Availability in power ratings suitable for speaker drive had simply been nil. A September 2005 feature explains the previous history on such efforts and why the Lovoltech LU1014D device again altered the transistorized home hifi landscape for those who paid attention.
"In the last few months, advances in Silicon Carbide (SiC) technology have resulted in new power JFET transistors with high voltage, current and power capabilities – as high as 1200 volts, 30 amps and 273 watts.
"Created by SemiSouth Corporation of Missouri, these robust new JFETs are designed for very fast high power switching in solar power and electric car applications. However, they also have a very low distortion characteristic that makes them superb for use in linear amplifiers. In apples to apples comparisons with comparable MOSFET type power transistors, they can achieve 10 to 20dB improvements in distortion performance. |
|
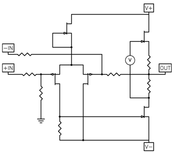
"The J2 is a direct-coupled stereo power amplifier rated at 25 watts per channel. It has a two-stage circuit that operates in pure single-ended Class A mode, with signal JFET devices forming a classic differential input stage followed by a single power JFET transistor. This power JFET is biased by another JFET in what is known in tube circles as a 'mu follower'."
|
 |
The slightly simplified schematic of the J2 circuit shows its single-ended Class A output stage. It is "second harmonic in character and uses about half the feedback of a comparable MOSFET circuit but with half the distortion and twice the bandwidth. The input stage uses parallel Toshiba 2SK170 and 2SJ109 JFETs for both the current source and the differential input (the parallels are shown as single in the drawing). The J2* is a nice blend of parts that are not yet available and parts that are no longer available.
_______________________
* For those linear counters wondering about a J1, Nelson has announced monoblocks.
|
 |
"The most important topological difference to the Aleph is that the output stage current source is no longer an Aleph current source but a version of the classic Mu Follower. This approach was chosen because the JFETs can take better advantage of distortion cancellation than Mosfets but won't do so if the current source is tightly regulated. This has a little less precision but lower distortion."
The associated specifications are an input impedance of 100Kohm, circuit gain of 20dB, input sensitivity of 280mV for 1 watt, 1.4V for full rated power, unweighted noise of 100uV over the full audible bandwidth, power consumption of 200 watts, damping factor of 20, frequency response of -1dB @ 4Hz - 100kHz and balanced input common mode noise rejection of -60dB at 1kHz.
As the 8-ohm distortion graph shows below, the curve crosses 1 watt at below 0.02%, passes 10 watts at 0.1% and 20 watts at 0.2%. Tubes would be envious. |
|
"The J2 is simple, clean and measures astonishingly well. The design is extremely reliable and will never need adjustment. JFET transistors have long been recognized as having the highest audio quality of any transistor. The input devices of the J2 are known through the industry as the standard for low noise and linearity and are found on the inputs of the finest phono stages, line level preamplifiers and power amplifiers.
|
|
|
"For over 10 years—the corporation was formed in 1999—FirstWatt has been pushing the design envelope with simple high-performance class A amplifier circuits. When a better transistor like this comes along, it can mean getting the same distortion performance with a lot less feedback; or lower distortion with the same amount of feedback. The J2 amplifier does both and that helps make it a better sounding amplifier than the best of its predecessors. With a device that behaves a little like a tube, it is natural to consider popular tube amplifier design topologies. Single-ended class A tube amplifiers are not very powerful and their measurement numbers are not exceptional but there is no arguing that they have strong musical appeal to much of the audiophile population. The J2 achieves a sound which is warm and relaxed, combining precision and detail without sterility. With a pair of sensibly efficient loudspeakers, it will give you a toe-tapping experience that other solid-state amplifiers do not."
|
 |
To facilitate experiments with various higher-efficiency widebanders, Nelson has built himself a drop-in open baffle that allows easy swaps (shown above with Feastrex on top, Eminence Beta 15" on bottom, F5 on the woofer, one of the new amps on the widebanders). This type of work—investigating currently available widebanders, noting their respective strengths and weaknesses in auditions and with stringent measurements, designing compensation networks accordingly and suitable amplifiers with superior noise performance and minimal-output sonics—has been the backdrop against which FirstWatt rose. An article on a recommended OB platform is planned. "So far I have evaluated several
baffle designs, a number of woofers and nearly 30 drivers.
I'm almost ready to start writing. Lest anyone get the impression that Feastrex is king over Lowthers,
I would add that in the four categories 8"/5" and Lowther/Feastrex,
each has a lot to offer and it's still very much a horse race.
After several months of playing with these, there are still anecdotal
experiences pointing to the superiority of each in some area. The
only generalization I would offer is that they are all great drivers
and they all respond well to careful tweaking toward our individual
tastes."
|
 |
 |
Of course not everyone uses such speakers and Nelson hasn't been deaf to pleas for FirstWatt sonics for greater mass consumption. This would mean voltage rather than current drive, higher power and the ability to scale up production to meet demand. On the latter point, Nelson's son Colin and his nephew Sean Rogers "have
formed a business to build the FirstWatt production. I'll continue to do all tweaking and testing. The J and M series are scheduled
for more than 100 pieces so as to satisfy the desires of
dealers and distributors for some continuity." About Nelson's prior habit to publishing the full schematics of FirstWatt amplifiers so DIYers could roll their own, "well of course when I'm done selling them, I'll be happy to
post the schematic.
Until that happy time however, I will suggest that you work with the
simplified schematic I will provide as well as the DIY-oriented
products that are coming up."
In short, FirstWatt has outgrown its humble kitchen-table beginnings to some extent and things have been put in place to continue satisfying the original DIY focus while also serving commercial requests. "I will be bifurcating the FW offerings into commercial product and things which go straight to DIY.
Of the DIY, I will probably build something like 10 pieces for commercial sale just for those people who really want an
original."
|
"In this way I hope to satisfy three masters: a distribution network that wants 'regular' product in a steady stream; the ever-hungry DIYers; and my own desire to hear and have a copy of everything on my design
list. In some cases like the "Beast with a Thousand Jfets" or the Sony JFET-based amplifier, it is not going to be practical to build more than a couple but the creation is far more blissful than the money. The FirstWatt amplifier is a nice format, a little bit like a Haiku - build anything you want but you have to fit it in this chassis. It does create an easy structure in which the comparisons are more apples to apples; and it's interesting to see the progression. It's very surprising to continue to see design progress at this point and it feels a bit like a snowball rolling downhill. I never expected to be so busy after 40 years of audio."
It seems best not to expect a class D offering in this snowball any time soon. "Been there done that" is how the above photo could be interpreted. It shows the maestro with a 'digital' amp he built for Threshold well more than six moons ago. Here is a PDF with all the specifications for the new Power JFETs that birthed the J2. The SideBar shows further distortion measurements.
|
|
|
 |
|
 |
|